
Nachträgliche Durchstanzverstärkung
In den letzten zwei Jahrzehnten ist der Druck auf die Bauindustrie gewachsen, ihre Umweltbilanz zu verbessern. Bestandsbauten wiederzuverwenden statt rückzubauen und neu zu errichten, ist ein zentraler Hebel, um den Ressourcenverbrauch zu senken – besonders in städtischen Gebieten, wo viele Stahlbetonbauten und Brücken ihr Nutzungsende erreichen. Doch nicht nur das Ende der Lebensdauer macht eine Tragwerksverstärkung notwendig.
Zwei Wege zur Durchstanzverstärkung – normkonform oder ingenieurmäßig bewährt

Durchstanzen im Bestand – das unterschätzte Risiko
Viele Flachdecken und Fundamente älterer Gebäude besitzen teilweise keine gezielte Durchstanzbewehrung. Nachweise nach EN 1992-1-1, Nationalem Anhang oder SIA zeigen deshalb oft Defizite – insbesondere bei Tiefgaragen, schlanken Fundamenten und großflächigen Decken. Genau hier setzt das Hilti HIT-Punching zur nachträglichen Durchstanzverstärkung an: eine zugelassene Lösung für sichere, regelkonforme Nachrüstung.
Hilti HIT-Punching zur nachträglichen Durchstanzverstärkung – normkonform und zugelassen
Das System kombiniert den Hochleistungsmörtel HIT-RE 500 V4 mit HAS-Gewindestangen (gvz. A4). Die Montage erfolgt analog zur Dübeltechnik, die Bemessung nach Eurocode mit Nationalem Anhang (Deutschland). Ergänzend regelt die allgemeine Bauartgenehmigung Z-15.5-387 des DIBt die Anwendung. Damit steht Tragwerksplaner:innen eine vollständig normkonforme Lösung zur Verfügung – sicher, planbar, rechtssicher.
Platten und Fundamente: unterschiedliche Regeln, gleiche Sicherheit

Klar geregelte Nachweise – Beton oder Stahl entscheidet
Der Nachweis wird geführt, indem die vorhandene Schubspannung dem Widerstand gegenübergestellt wird. Entscheidend ist der kleinere Wert – Beton oder Stahl.
- Ist die Betontragfähigkeit ausreichend, entfällt die Verstärkung.
- Wird sie überschritten, übernehmen die nachträglich installierten Gewindestangen den Beitrag.
- Liegt die Beanspruchung oberhalb der erweiterten Grenze, ist das System allein nicht anwendbar.
Besonders praxisnah: Die Montage kann sowohl von der Zug- als auch von der Druckseite erfolgen, ohne dass sich dies auf den Nachweis auswirkt.

Platten und Fundamente – unterschiedliche Regeln, gleiche Sicherheit
Nicht nur die aBG fordert diesen Ansatz, sondern auch die EN 1992-1-1 mit den nationalen Anhängen. Genau deshalb ist er verbindlich geregelt – weil er für die Sicherheit entscheidend ist: Platten und Fundamente – unterschiedliche Regeln, gleiche Sicherheit.
Die aBG unterscheidet klar zwischen beiden Bauteilen:
- Platten: Nachweis am kritischen Rundschnitt, Beton- und Stahlbeitrag werden kombiniert.
- Fundamente: Der Betonbeitrag wird nicht angesetzt, die Tragfähigkeit ergibt sich allein aus den ersten beiden Ringen nachträglich installierter Stäbe.
Damit wird die Realität berücksichtigt: Eine eingemörtelte Gewindestange ist kein klassischer Bügel – und die Regeln sind entsprechend angepasst.
Einfache Bemessung und Planungssicherheit

Einfache Bemessung – klare Vorgaben statt Detaildiskussion
Die Einbaulänge ergibt sich automatisch aus der Bauteilhöhe minus Restüberdeckung. Kritische Kombinationen wie große Durchmesser in dünnen Platten sind ausgeschlossen. Mindest- und Maximalabstände stellen sicher, dass:
- Keine Spaltzugrisse entstehen.
- Die Lasten gleichmäßig verteilt werden.
- Konflikte mit der Hauptbewehrung reduziert werden.
Für Planer:innen bedeutet das: prüffähige Nachweise und weniger Diskussionen im Genehmigungsprozess.

Planungssicherheit bis zum Rand
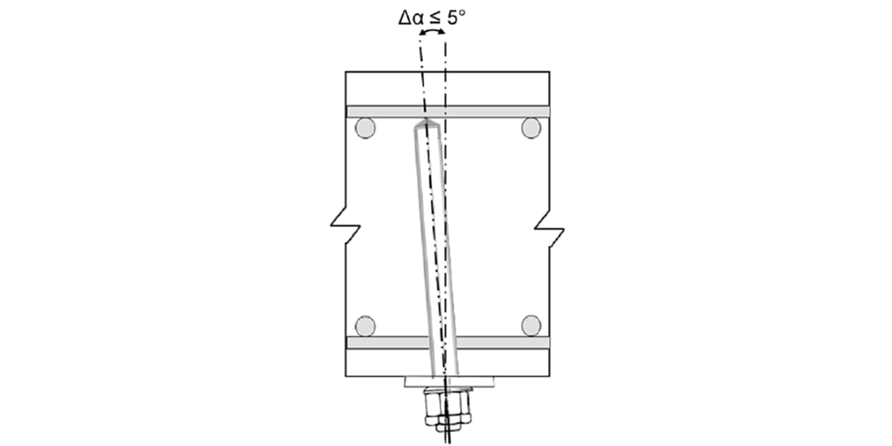
Auch bei Randlagen oder Öffnungen sorgt das Hilti-System für Klarheit: Bohrtoleranzen bis 5° und unterschiedliche Bohrverfahren sind in der Bemessung berücksichtigt. Mit Bohrhilfen lassen sich Randabstände reduzieren – ohne Kompromisse bei der Sicherheit.
Mit PROFIS Engineering digital bemessen

PROFIS Engineering Suite
Alle Nachweise können direkt in der Hilti PROFIS Engineering Suite geführt werden – schnell, nachvollziehbar und mit direkter Anbindung an die Zulassungswerte. Damit ist die Durchstanzverstärkung nicht nur technisch, sondern auch digital effizient gelöst.

Alternative Ansätze – das HZA-P-System
Neben dem HIT-System bietet Hilti das HZA-P-System an. Hier werden geneigte Bewehrungselemente eingebracht, basierend auf Versuchen im Hilti Forschungslabor und wissenschaftlich ausgewertet am EPFL Lausanne. Grundlage ist die Critical Shear Crack Theory (CSCT). Dieses System besitzt zwar keine bauaufsichtliche Zulassung, hat sich jedoch international als ingenieurmäßige Alternative bewährt – besonders in Fällen, in denen die zugelassene Lösung an Grenzen stößt.
Klassische Verstärkungsansätze mit modernen Mitteln

Weitere Hilti Lösungen gegen Durchstanzen
Nicht jedes Projekt lässt sich ausschließlich über innenliegende Bewehrungslemente lösen. Deshalb bietet Hilti auch klassische Verstärkungsansätze mit modernen Mitteln an:
- Erhöhung der Plattendicke (Aufbeton) mit der HCC-Serie: HCC-K, HCC-B, HCC-HUS4 und HCC-U.
- Vergrößerung der Auflagerflächen durch die Kombination aus HCC-Serie (HCC-K, HCC-B, HCC-HUS4, HCC-U) und nachträglich installierten Bewehrungsstäben.
Damit deckt Hilti das gesamte Spektrum ab – von der zugelassenen Lösung über die ingenieurmäßige Alternative bis hin zu klassischen Bauweisen mit optimierten Technologien.

Fazit – Sicherheit mit System
Für normkonforme Nachweise mit Zulassung ist das Hilti HIT-Punching zur nachträglichen Durchstanzverstärkung die erste Wahl. Es verbindet rechtssichere Bemessung, praxisgerechte Montage und digitale Unterstützung – und bietet damit eine robuste Lösung für die Verstärkung im Bestand.
Das HZA-P-System ergänzt das Portfolio als flexible Alternative, während die HCC-Serie zusätzliche Wege über Plattendickenerhöhung und Auflagervergrößerung eröffnet. So bietet Hilti eine ganzheitliche Auswahl an Lösungen – für jede Herausforderung im Bestand.
Weitere Details zur Bemessung und Anwendung

Fachhinweis für Tragwerksplaner:innen in D-A-CH
Deutschland
Die Bemessung des Hilti HIT-Punching zur nachträglichen Durchstanzverstärkung erfolgt nach EN 1992-1-1 in Verbindung mit dem Nationalen Anhang Deutschland (NA-D). Maßgeblich ist zusätzlich die allgemeine Bauartgenehmigung Z-15.5-387 des DIBt, welche Ausführung, Nachweise und Randbedingungen klar regelt. Damit steht in Deutschland eine vollständig zugelassene und rechtssichere Lösung zur Verfügung.
Österreich
Die ÖNORM B 1992 regelt den Durchstanznachweis für Neubauten, umfasst jedoch nicht die Bemessung nachträglich installierter Systeme. Für solche Anwendungen wird in der Praxis auf die Bemessungsansätze des Eurocode in Verbindung mit einer aBG zurückgegriffen – jeweils in Abstimmung mit dem zuständigen Tragwerksplaner oder Prüfingenieur.
Schweiz
Die SIA 262 regelt den Durchstanznachweis für Neubauten, umfasst jedoch nicht die Bemessung nachträglich installierter Systeme. Für solche Anwendungen wird in der Praxis auf die Bemessungsansätze des Eurocode in Verbindung mit der deutschen aBG zurückgegriffen – jeweils in Abstimmung mit dem zuständigen Tragwerksplaner oder Prüfingenieur.
Bauaufsichtlich zugelassenes und inspektionsfreies Durchstanzverstärkungssystem nach DIN EN 1992-2/NA für Platten und Fundamente
Hilti HIT-Punching mit HIT-RE 500 V4 + HAS / HAS-U + Hilti Verfüllset
- Einbau als nachträglich verankerte Durchstanzbewehrung bei statischen und quasi-statischen Einwirkungen in Stahl- und Spannbetonbauteilen der Festigkeitsklassen C20/25 bis C50/60 und Bauteildicken hmin ≥ 200 mm und hmax = 1100 mm (defmin = 160 mm für M12 & M16 und defmin = 350 mm/420 mm für M20/M24).
- Hilti Verbundanker HAS / HAS-U + HIT-RE 500 V4 + Hilti Verfüllset zur Vermeidung zusätzlicher Biegemomente infolge von Schrägstellungen, zum Ausgleich von Quergefälle und Längsneigung bis zu 5° und möglicher Einbautoleranzen von 0,2 def.
Befestigung der zuvor beschriebenen Position mit Erzeugnis:
- Hilti Ankerstange HAS / HAS-U .. M .. x ..
und Injektionsmörtel Hilti HIT-RE 500 V4 oder glw.
und Hilti Verfüllset (Kohlenstoffstahl/Edelstahl) M .. bestehend aus Verfüllscheibe, Kugelscheibe und Sicherungselement oder glw. - Verankerungstiefe lsw im Beton: .. mm
- Gesamtlänge Gewindestange: .. mm
- Anzahl und Anordnung der Gewindestangen sind der Ausführungsplanung bzw. dem Bemessungsnachweis zu entnehmen und einzuhalten.
- Einbau und Montage gemäß Allgemeiner Bauartgenehmigung (abG) Z-15.5-387.
- Die Verstärkungsmaßnahme ist durch geschultes, zertifiziertes Baustellenfachpersonal und Betriebe mit gültigem Eignungsnachweis auszuführen.
Bohrmethoden
- in hammergebohrten Löchern mit automatischer Selbstreinigung (staubfreie Bohrlocherstellung)
- in hammergebohrten Löchern mit Bohrlochreinigung
- in diamantgebohrten Löchern mit Aufrauwerkzeug und Bohrlochreinigung
- in pressluftgebohrten Löchern mit Bohrlochreinigung
Material
- galvanisch verzinkt
- nichtrostender Stahl A4 (R), CRC I bis CRC III/mittel
Erzeugnis
- Hilti Ankerstange HAS / HAS-U M .. x .., Injektionsmörtel Hilti HIT-RE 500 V4 und Hilti Verfüllset (Verfüllscheibe, Kugelscheibe und Sicherungselement) oder ein gleichwertiges Erzeugnis hinsichtlich Bemessung, Einbautoleranzen und Korrosionsanforderungen.
- Menge:
Stk Preis: € GP: € - Für das in der Planung vorgesehene System wird empfohlen, vor Ausführung Rücksprache mit dem Systemanbieter zu halten, um projektspezifische Einbauhinweise, Zubehörkomponenten und werkseitige Vorgaben zu berücksichtigen. Ein technisches Ausführungspaket wird auf Wunsch zur Verfügung gestellt.